Profitez de 20% sur la gamme fendeuse de bûche jusqu’au 2 novembre 2025 inclus
Menu
Choisissez l'implantation de votre clapet de blocage flasquable sur vérin hydraulique pour l'ajouter au panier.
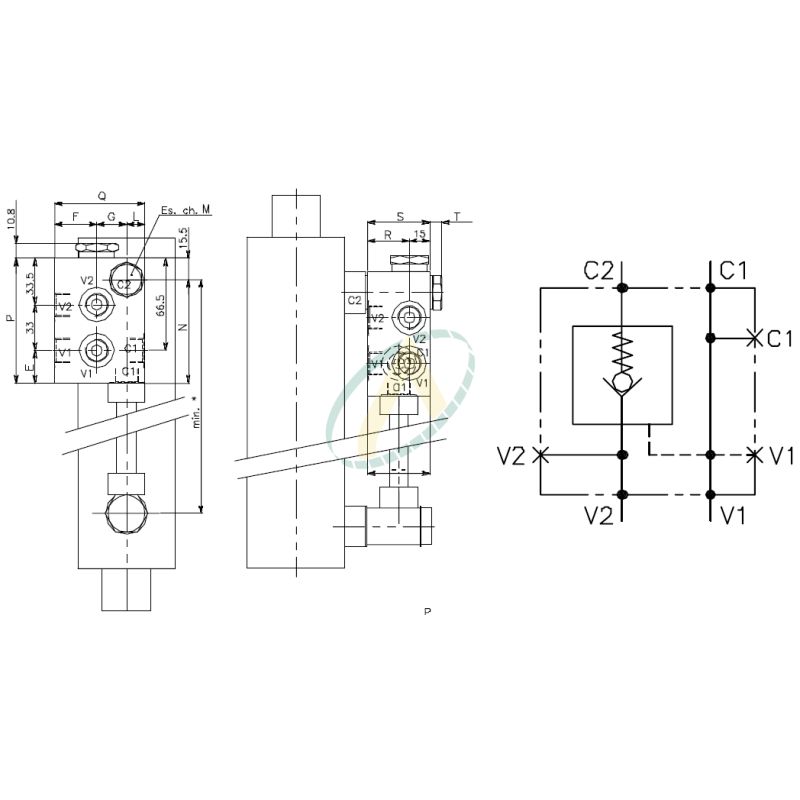
Vous pouvez voir les caractéristiques de votre clapet de blocage flasquable sur vérin avec schéma ci-dessous.
en savoir plus
Blocage d'un vérin hydraulique simple et double effet, pilotage interne.
Composotion du Kit :
Caractéristiques :
| Type valve | Implantation vérin | Pression maxi (bar) | Rapport pilotage | Débit maxi (l/min) | Ø passage banjo/vis | E | F | G | L | M | N | P | Q | R | S | T |
| Simple | 3/8’’ | 250 | 3/1 | 40 | 8 | 23,5 | 30,5 | 21,5 | 13 | 22 | 74,5 | 90 | 65 | 30 | 45 | 9 |
| Double | 3/8’’ | 400 | 3/1 | 40 | 8 | 23,5 | 30,5 | 21,5 | 29,5 | 17,5 | 13 | 70 | 22 | 30 | 45 | 9 |
Schéma clapets simple de blocage flasquables sur vérin (C1 C2 : Vérin - V1 V2 : Distributeur) :

Schéma clapets double de blocage flasquables sur vérin (C1 C2 : Vérin - V1 V2 : Distributeur) :

configurer