Profitez de 15% sur la gamme flexibles et raccords hydrauliques jusqu’au 18 janvier 2026 inclus
Menu
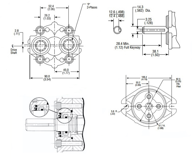
Ce moteur à engrenage Parker a une cylindrée de 9.5 cm3 et un arbre cylindrique de 14.3 mm de diamètre.
Avec rotation bidirectionnel, il est utilisé pour les turbines de semoir Kuhn.
La référence Parker de ce produit est MGG20025 BC1A3 MGG20025CC1A3.
Fiche technique
en savoir plus
