Profitez de 20% sur la gamme fendeuse de bûche jusqu’au 2 novembre 2025 inclus
Menu
-
MenuRetour
-
Pompes
-
-
-
-
-
-
-
Quesqu'une pompe hydraulique
-
-
-
Moteurs
-
-
-
-
-
Comment bien choisir son huile hydraulique ?
-
-
-
Vérins
-
-
distributeurs
-
-
composants
-
-
flexibles connectiques
-
-
équipements machines
-
-
Entretien Contrôle
-
Besoin d'aide ?
-
-
Choisir son composant hydraulique
- Comment bien choisir son distributeur hydraulique
- Comment bien choisir un vérin hydraulique ?
- Comment brancher votre prise Hirschmann ?
- Comment choisir la bonne buse ?
- Comment choisir son huile ou son lubrifiant ?
- Comment définir un raccord hydraulique ?
- La pompe hydraulique
- Qu'est ce que le facteur de marche d'un moteur de centrale hydraulique ?
- Votre système d'ouverture de trappe sur mesure
-
-
-
-
-
02 51 34 45 62
-
Contact
-
Destockage
Promo
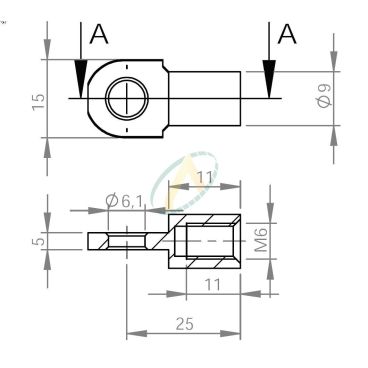
Vérin à gaz tige diamètre 6 mm avec filetage M6
Ressort à compression pour chapes filetées. Ils peuvent être équipés d'une valve de dégonflage afin de pouvoir régler la force de votre vérin par vous-même.
Vérin permettant de vous aider à ouvrir un coffre de voiture ou de maintenir ouverte une vitre arrière de tracteur agricole.
Nous vous proposons plusieurs courses de 20 à 150 mm, à sélectionner ci-contre. La force peut être de 30 à 400 Newtons, à noter dans le champ ci-dessous.
-
Produits de remplacement
-
Fiche technique
-
En savoir plus
Fiche technique
- Type de fixation
- Filetage mâle M6x150, Filetage M6x150
- Diamètre de la tige
- 6 mm
en savoir plus

| C - Course en mm | E - Longueur en mm | F1 - Force en Newtons | Référence | ||||||||||||||||||||||||||||||||||||||||||||||||||||||||
| 20 | 80 | De 30 à 250 | ST 020+F1 V+D6 | ||||||||||||||||||||||||||||||||||||||||||||||||||||||||
| 40 | 115 | De 30 à 400 | ST 040+F1 V+D6 | ||||||||||||||||||||||||||||||||||||||||||||||||||||||||
| 60 | 155 | De 30 à 400 | ST 060+F1 V+D6 | ||||||||||||||||||||||||||||||||||||||||||||||||||||||||
| 80 | 195 | De 30 à 400 | ST 080+F1 V+D6 | ||||||||||||||||||||||||||||||||||||||||||||||||||||||||
| 100 | 225 | De 30 à 400 | ST 100+F1 V+D6 E225 | ||||||||||||||||||||||||||||||||||||||||||||||||||||||||
| 100 | 235 | De 30 à 400 | ST 100+F1 V+D6 | ||||||||||||||||||||||||||||||||||||||||||||||||||||||||
| 120 | 275 | De 30 à 400 | ST 120+F1 V+D6 | ||||||||||||||||||||||||||||||||||||||||||||||||||||||||
| 150 | 335 | De 30 à 400 | ST 150+F1 V+D6 | ||||||||||||||||||||||||||||||||||||||||||||||||||||||||
Dans la même catégorie
Vérin à gaz tige diamètre 6 mm avec filetage M6

